環形繞線機製造與完成 環形線圈它將電線或絕緣膠帶裝入梭子(或彈匣),旋轉 環形磁芯,並在每個回合中控制 音調、速度和張力您可以在變壓器車間、電動車電源組件、音頻電源、醫療設備以及任何需要的地方看到這些機器。 低洩漏、低噪音 製成環形零件。
當安裝膠帶頭時,相同的平台包裹 紙/聚酯纖維/聚醯亞胺 用膠帶圍繞芯線絕緣和加固——乾淨、均勻、可重複。

本指南主要針對廣日PLC控制機型(例如JGC系列)他們將堅固的底座與智慧控制器配對,以便操作員可以儲存配方、以踏板或自動模式運行並保持不同班次的生產一致性。
安全與通電
在開始任何捲繞或包帶循環之前, 安全第一. 始終將機器放置在 通風良好的區域 (13–35°C,無腐蝕性煙霧,低振動)。確保機器 正確接地 並且電源已安裝正確的 斷路器額定值. 這可以防止電氣危險並保護操作員和設備。
開機:
釋放 緊急停止(E-stop).
翻轉 電源開關 在基座上。
控制器將啟動到 等待狀態。你會知道它已經準備好了,因為 “就緒/等待”指示器 亮起。如果熄滅,則機器處於 設定狀態,這意味著您仍然可以在運行之前調整參數。
專業提示:裝載磁芯前,務必仔細檢查接地和緊急停止復位。這可以避免不必要的錯誤,並確保啟動平穩。
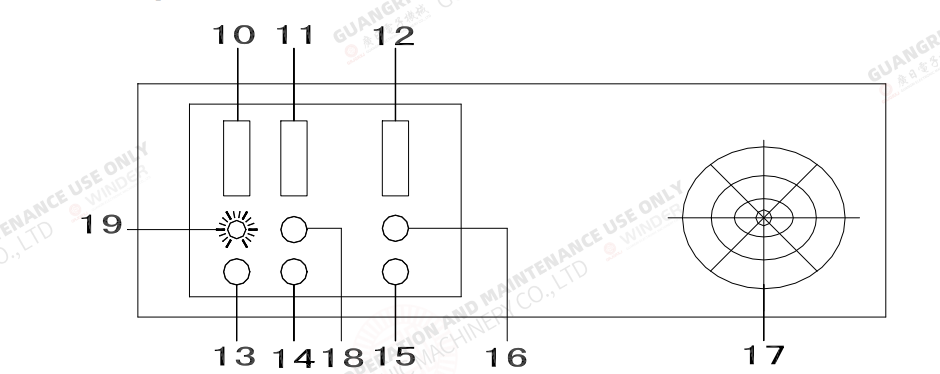
前面板和控制(快速瀏覽)

廣日控制員的 前面板 是您的主要指揮中心。它包括:
九個功能鍵 用於電源、啟動/停止、重設、手動點動、方向控制和自動/手動模式選擇。
兩個旋鈕:一個 速度 (捲繞/包帶轉速),一個 瀝青 (匝數或膠帶纏繞之間的間距)。
方向開關: 套 順時針/逆時針 旋轉。
模式切換:切換 手動模式 (慢跑、設定調整)和 自動模式 (連續纏繞/包帶)。
操作流程:
開始/停止鍵:啟動機器並開始循環。
重置鍵:清除故障或準備執行下一個作業。
手動模式:非常適合設定、線圈定位或試運行。
自動模式:無需動手,可使用儲存的程式重複執行。
您可以透過 腳踏板 (踏板模式)或完全自動化 自動啟動 (機器自動加速和減速)。
後面板和開關

底座和櫃檯後面板用於容納連接和更深的配置:
底座插座:控制器、踏板、感應器以及自動剪刀(在包紮機上)的插件。還包括 保險絲接入 和 主電源輸入.
模式選擇開關: 選擇 踏板 (踏板控制速度/停止)或 自動啟動 (控制器自動加速/減速)。
接地端子:操作前務必確保安全。
在 計數器/控制器後部,您將找到機器類型和功能開關:
機器類型 轉變:設定為 環形、皮帶/滑塊、齒輪頭或膠帶 模型。
旋轉開關:單向還是雙向(取決於是否需要反轉)。
換能器開關:選擇正確的感測器類型(例如,JG = 7PA,JGC = 7NA)。錯誤的選擇會導致計數器無法運作。
磁芯啟動方向開關:用於自動模式下的扇形繞線。
專業提示:這些後面板開關必須在首次啟動之前設置,否則機器將無法識別正確的配置。
控制器程式設計

廣日環形繞包機的核心是 控制器面板,操作員可在此設定和管理每項作業。面板使用 四個主要顯示窗口:
規格視窗 – 儲存作業編號並讓您呼叫或儲存線圈規格。
程式視窗 – 定義步驟順序(例如, 載入 然後 風)。每項工作至少需要兩個步驟,並可選擇添加水龍頭。
時間視窗 – 設定每個步驟重複的次數。當多個繞組共用相同的匝數時,這可以避免重新編程。
打開窗戶 – 設定裝載、捲繞、減速甚至反轉的精確轉彎 扇形繞組.
該機器以三種控制流程模式運作:
設定狀態 – 輸入參數時。
就緒狀態 – 當程式已確認並等待執行時。
審核狀態 – 允許您在按下之前檢查儲存的參數 開始.
像 環境, 進入, 返回, 和 審查 指導操作員輸入確認,使工作流程一致可靠。
自動操作與踏板操作
廣日機器為您提供靈活性 踏板控制 和 自動啟動.
踏板模式:操作員使用腳踏板控制速度和停止/啟動 - 非常適合設定和手動控制。
自動啟動模式:設定在底座的後部開關上,這可以讓機器加速到預設速度並在最後平穩減速,無需踏板輸入。
一個突出的特點是 比例連結 主驅動和旋轉驅動的配合。這確保了 線距保持準確 無論您選擇何種繞線速度,都能在不同線圈之間達到一致的間距和更嚴格的控制。
依頭型裝載和捲繞
不同的繞線頭需要略有不同的處理方式。廣日繞線機支援多種繞線頭設計:
滑桿頭 – 裝入核心,然後調整 摩擦彈簧 和 壓力墊 調整合適的線材張力。滑塊應移動順暢,且不會阻礙線材。
帶頭 – 固定電線末端,然後使用 皮帶張緊螺絲 微調夾持力。繞線前,將自由導線端穩定在磁芯下方。
齒輪頭 – 調整 煞車 裝料前檢查張力是否正確。正確放置線盒和滑塊,確保線材穿過 導向槽 無滑動。
包帶頭 – 將膠帶穿過 壓夾和電剪刀 然後將其送入料盒。啟動後,機器會自動將膠帶削成錐形,完成後用剪刀剪斷。
每種頭部類型都有其特點,但都有一個共同的目標:穩定的張力和精確的纏繞或錄音。
錄音數學與範例設置
為了獲得準確且可重複的結果,了解膠帶背後的數學原理至關重要。關鍵公式很簡單:
磁帶轉動 = 磁芯週長÷(磁帶寬度-重疊)
負載匝數 = 磁帶圈數 × (一圈長度 ÷ 磁帶盒週長)
這些計算確保每層膠帶正確重疊,提供正確的絕緣厚度和覆蓋範圍。
範例設定:
測量磁芯的外徑來確定週長。
選擇膠帶寬度並設定所需的重疊量(例如 2 毫米)。
使用公式計算磁帶圈數。
將負載匝數輸入到控制器程式中。
在投入生產之前,先運行乾循環進行驗證。
遵循這種方法,您可以減少反覆試驗並保護材料品質。
初始開關設定(必須執行)
首次啟動前,機器的 後面板和前面板開關 必須正確設定。跳過此步驟可能會導致錯誤或誤計數。
模式:自動或踏板(取決於工作流程)。
機器類型:捲線器、膠帶或特定頭部樣式。
旋轉:CW(順時針)或 CCW(逆時針)。
感測器類型:7PA 與 7NA,取決於型號(錯誤設定 = 計數器不會註冊)。
這些基本設定可確保控制器識別正確的硬體並使繞線或錄音與您的程式保持一致。
運行工作流程
每項成功的繞線或包帶工作都遵循一個結構化的過程:
載入設定:打開梭子或彈匣。將捲軸牢固插入。
滾輪調節:設定聚氨酯滾輪以獲得適當的抓握力。
執行緒:將電線或膠帶穿過導引器、墊片和張緊器。
啟動流程: 按 開始在自動模式下,機器會加速至預設速度。在踏板模式下,則為手動控制。
監視器:在操作過程中調整速度和音調旋鈕以微調間距。
記錄值:記下音調和速度設置,以便將來更快地進行設置。
這種工作流程可以保持品質的一致性,並避免在產品之間切換時產生昂貴的廢品。
預防性維護
保持環形繞線機處於最佳狀態並不需要花費太多精力——只需定期檢查即可。從最基本的開始: 潤滑並清潔所有旋轉部件和齒輪 按設定的間隔進行。這樣可以保持運動平穩並防止磨損。
接下來,永遠 檢查通風路徑和冷卻風扇灰塵和碎屑會阻礙氣流,導致熱量積聚,從而縮短組件壽命。此外,請檢查 機器已正確接地 並且斷路器的尺寸和工作是否正確——這對於操作員的安全和穩定的性能是必須的。
今天幾分鐘的維護可以節省明天數小時的停機時間。
快速表故障排除
以下是操作員在出現問題時可以使用的簡單指南:
沒有 LED 亮起 → 檢查電源連接和主保險絲。
馬達無法啟動 → 確認腳踏板功能並驗證旋鈕未設定為零。
計數器未註冊 → 調整感測器間隙或確認正確的類型(7PA 與 7NA)。
旋轉馬達空轉 → 檢查並調整傳動皮帶。
大多數問題都可以追溯到基本的電源、感應器或設定問題——在致電服務之前先解決這些問題。
專業提示
想要更順暢地運行並減少意外?試試這些行之有效的最佳實踐:
進行試運行:在實際繞線之前,標記磁芯並在沒有材料的情況下運行以鎖定螺距設定。
儲存工作卡:在獨特的配方名稱下記錄音高、速度和程序值,以加快重複速度。
記錄關鍵數據:追蹤膠帶或線材使用情況、週期時間和缺陷率。這有助於調整上線時間並優化產量。
標準化設定:為常見芯線尺寸建立參考煞車和壓力設定。這使得轉換更快、更一致。
透過將預防性維護與智慧記錄結合,您不僅可以減少停機時間,還可以延長廣日繞線機的使用壽命。
準備好進一步提高線圈生產了嗎?
在廣日,我們不僅製造機器,我們也根據您的生產需求客製化解決方案。無論您是首次安裝環形包帶生產線,還是為了提高效率而進行升級改造,我們的團隊都將為您提供培訓、客製化和售後服務。
立即聯絡我們,索取操作文件、詳細手冊或個人化諮詢。讓我們讓您的線圈繞製過程更聰明、更快速、更可靠。
立即聯絡我們 並體驗為什麼世界各地的製造商信賴廣日的精密繞線和包帶機。
常見問題解答
問題1:廣日環形包帶機與其他包帶機有何不同?
A1:廣日聯合收割機 PLC控制 具有自動/踏板模式,使設定更快、繞線更一致。
問題 2:我如何知道我的機器是否可以運作?
A2:檢查控制器上的「Ready」指示燈。如果指示燈亮起,表示參數已確認,機器將在踩下踏板或進入自動模式時啟動。
問題 3:我可以輕鬆地在手動和自動模式之間切換嗎?
A3:是的。使用前面板開關選擇手動或自動操作。自動啟動模式會逐漸加速,而踏板模式則可讓您即時控制。
問題4:如果控制器不計算回合數,我該怎麼辦?
A4:這通常表示感測器類型或間隙設定不正確。請重新檢查感測器開關設定並調整距離。
Q5:我應該多久維護一次機器?
A5:定期清潔和潤滑運動部件,檢查風扇和接地,並檢查皮帶或煞車。預防性維護可避免停機。
問題 6:我是否需要為每個新工作對控制器進行程式設計?
A6:是的,但您可以為每個線圈的配方保存一個唯一的名稱。這樣可以加快重複生產的轉換速度。









